SCHEMI
HOME
SCHEMI ELETTRONICHE DIVERSE
12AU7 StereoDimension
7 BAND Tube Equalize
r
Mixer 4 canali
part1
part2
Mixer Geloso G290V
Revox G36
Crossover 150Hz
part1
part2
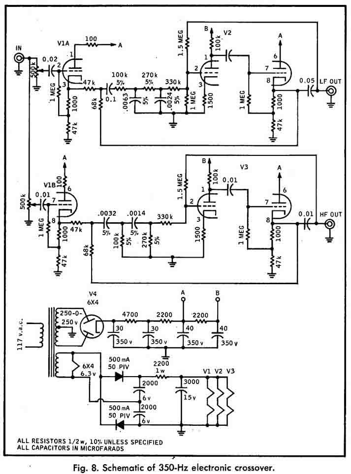
Crossover 350Hz
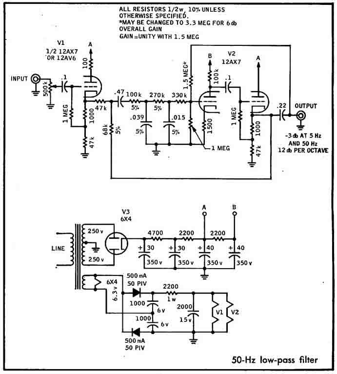
Crossover 50Hz