SCHEMI
HOME
SCHEMI PRE VALVOLARI
STADI PRE LINEA
pre 12AU7 line
pre equalizer 12AX7
pre loudness tone 12AX7
pre 12AY7 6SN7
part1
part2
pre ECC81 82
pre ECC82 SRPP
part1
part2
pre ECC83 EF86
part1
part2
part3
pre ECC88
pre 5687 transout
pre 5751
part1
part2
pre 5751 2
pre 6N3 6N6
pre 6SN7
pre 6SN7 1
pre 6SN7 3
pre 6SN7 4
pre 6SN7 5
pre 6SN7 8
pre 6SN7 9
pre 6SN7 SRPP Lillipre
part1
part2
pre 6SN7 SRPP Triopre
part1
part2
pre 6SN7 6SL7
pre transout 6J5 6SN7
pre 6189 balanced
part1
part2
part3
part4
pre 7025 5814
pre ECL82 6BM8
pre ECL82 6BM8 muFollower
pre ECL 86
part1
part2
PHONO - RIAA
pre RIAA 12AU7
part1
part2
pre RIAA ECC81-82-83
pre RIAA 6DJ8
pre RIAA 7586 Nuvistor
pre phono OLD78
part1
part2
part3
PRE MICROFONICI
Pre mic balanced
pre microphone ECC83
part1
part2
part3
Schemi di apparecchi commerciali e modifiche
pre QUAD 22
pre QUAD 22 (2)
part1
part2
part3
part4
part5
pre DynacoPAS3
pre AudiotecnicPR306
pre Marantz 7C Klone
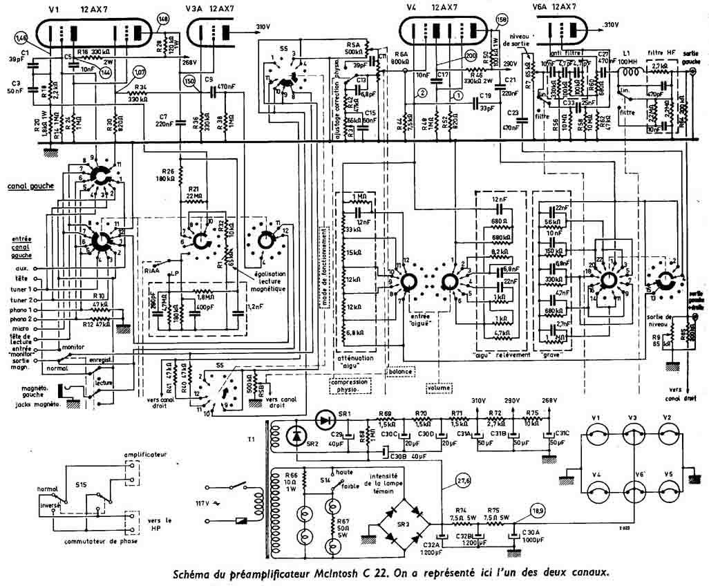
pre McIntosh C22
pre mic Altec 1566A
pre EC(C)82 SupertoneS9
pre 12AX7CathFollower Jadis
pre PhaseSplitter Radford MA12